福建龙溪轴承(集团)股份有限公司属漳州市属重点国有控股上市企业。现因生产需要,拟采购无心磨床(M1080)壹台,根据我司管理制度要求,拟采取内部邀请招标方式确定供应商。现欢迎潜在合格的供应商前来报名,参与该项目投标。
一、投标报名人的资格要求:
1.依法注册,具有独立法人的实体注册企业,具备履行合同所必需设备和专业技术能力的制造商、经销商、代理商;
2. 近三年与本项目相同或相类似的设备销售业绩。
二、报名须知
1.报名时间:2021年7月22 日至 2020年7月28日。(上午:8:30~11:30、下午:14:00~17:00,法定节假日、双休日除外)
2. 报名方式:邮箱报名,参与投标的申请人须将公司的营业执照复件及近三年与本项目相同或相类似的设备销售业绩加盖公章,发至采购人指定邮箱,并写明“无心磨床(M1080)”采购与安装项目报名资料、公司名称、属地、项目联系人姓名、手机号码”。
3. 咨询电话:0596-2072080每天上午 8:30至11:30 ,下午 14:00至 17:00(北京时间,法定节假日、双休日除外 )。
三、获取招标文件时间: 2021年7月29日。
四、获取招标文件方式:采购人将以电子邮件的形式发给各投标人。
五、采购技术要求:详见附件
六、采购单位:福建龙溪轴承(集团)股份有限公司
联 系 人:黄先生
邮箱:huangwx@xiangtaik.com
地址:福建省漳州市龙文区小港北路32号 邮编:363005
福建龙溪轴承(集团)股份有限公司
2021年 07 月 21日
附件:
无心磨床(M1080)技术要求
一、设备要求概述
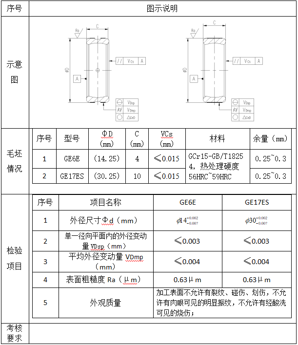
1、加工产品尺寸范围
2、设备名称规格、需求数量
3、主要参数、结构、功能要求
(1)规格与参数
(2)结构及功能要求
1)设备采用贯穿式磨削,主要磨削轴承套圈的外圆;
2)设备床身采用整体床身铸造,多次时效处理,结构合理,铸造表面平整光滑;
3)设备布局采用导轮架单面移动方式;
4)设备砂轮轴采用动压油膜轴承;
5)砂轮轴、导轮轴采用悬伸式结构,便于更换;
6)设备为手动进给控制磨削,进给手轮控制丝杆实现粗进给、微量进给运动。
7)砂轮、导轮的修整往复运动采用液压系统控制,无级调速。
8)设备采用集中供水,配有冲洗专用的足够长度的水管和喷枪。
9)设备配有三防工作灯。
4、设备几何精度指标
5、设备其它技术指标
6、设备平面布局图(含设备高度)
(长*宽*高)
7、设备加工精度要求及验收要求
1)设备加工精度
2)验收型号及要求
设备验收时,选择1~2种型号作进行验收(或根据实际情况,双方协商选择另选其它产品型号作为验收型号),验证设备加工精度,及对“一、设备要求概述”中的内容进行验收。
8、设备主要配备说明
9、易损件清单(由供方提供)
10、附件清单
11、工装清单(由供方提供)
12、工具清单(由供方提供)
13、设备验收关注点
(1) 设备功能要求;
(2) 设备精度指标;
(3) 设备节拍产能;
(4) 主要配置要求;
(5) 技术资料;
14、设备报价或分项报价(此合同为人民币含税价,并随货提供全额13%的专用增值税发票。总价格包括设备设计、制造、调试、运输、培训及一年(或二年)保修费用。)
二、设备技术要求总则
1、本技术要求为最低限度的技术要求,并未对一切技术细节做出规定,也未充分引述有关标准和规范的条文,供应商应保证提供符合或优于本技术规格书和有关工业标准的优质产品。
2、设备具备良好的人机对话功能,可全自动运行。设备节能环保、安全,操作维修方便,造型美观,运行稳定、可靠。
3、设备及其配套的零部件须保证是全新的,零部件、电气元件需选用国际品牌、国内驰名品牌。
4、所用的电气材料必须是中国强制性产品认证(CCC)的产品。
5、设备服务要求:供方在按上述供货范围提供设备的同时,须提供与之相应的伴随服务。包括:技术资料、安装调试、现场试运行、技术支持、技术服务、技术培训等,以及在文中未提及的、隐含的其他必须由供方提供的相关服务。
三、售后服务、培训资料和技术资料等
1、全套设备运输、现场卸货、安装调试均由供货方负责,用户配合并实行交钥匙工程。(我司给以必要配合实施)
2、设备到达用户所在地后,在接到用户安装通知后7个工作日内执行免费安装、调试和培训;人员培训是指设备操作培训。
3、保修:设备质保期为1年,。在设备保修期内不收取零部件及其它费用(人为损坏因素除外),实行保修服务;并提供设备终身有偿售后服务。
4、设备保修期满之后,应提供广泛而优惠的技术支持及备件的供应。
5、维修响应:接到用户通知后,8小时内做出响应,48小时内给出明确解决方案,遵循尽量在最短时间内为用户解决问题的原则,如需要,在48小时内赶到现场。
6、提供壹套使用说明书。
7、提供出厂合格证明、装箱单。
8、文件资料:(电子版及纸制版一套或选其一,软件部分电子版即可)
(1)中文版设备操作和维护手册
(2)设备结构图、工装及自制易损备件图等资料。
(3)电气控制原理图等资料电子版及纸制版一套。(软件部分电子版即可)
(4)PLC运行软件及其维护说明书、PLC梯形图(电子版)
(5)数控系统安装、使用及维护说明书(系统参数设置说明及清单、系统故障诊断说明包括数控系统本身及机床故障说明)
(6)备品备件清单(机械与电器)











