机械零部件
当前位置:福建龙溪轴承(集团)股份有限公司 - 一号娱乐产业 - 机械零部件 - 关节轴承 - 推力关节轴承
GX…N

产品编号:GX…N 17~120

滑动磨擦副:钢/PTFE塑料 

产品特点:座圈材料为轴承钢,淬火,球面衬有PTFE塑料,轴圈材料为轴承钢,淬火,球面镀硬铬。

使用温度范围:-40℃~+75℃

  

    
  

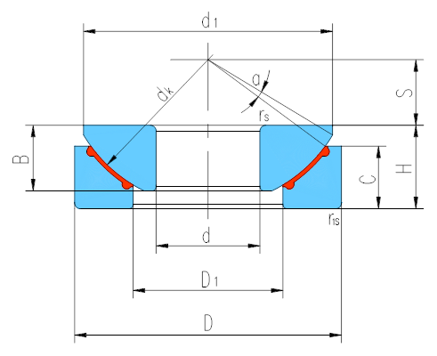
轴 承

型 号

Bearing number

外 形 尺 寸

Dimensions          mm

额定载荷

Load ratings  kN

重 量

Weight

≈kg

d

D

B

C

H

dk

S

d1

max

D1

min

rs,r1s

min

α˚

动载荷

Dynamic

静载荷

Static

GX17N

17

47

11.8

11.2

16

52

11

43.5

27

0.6

4

32

52

0.137

GX20N

20

55

14.5

13.8

20

60

12.5

50

31

1

5

44

71

0.246

GX25N

25

62

16.5

16.7

22.5

68

14

58.5

34.5

1

5

65

104

0.415

GX30N

30

75

19

19

26

82

17.5

70

42

1

5

88

141

0.614

GX35N

35

90

22

20.7

28

98

22

84

50.5

1

5

129

207

0.973

GX40N

40

105

27

21.5

32

114

24.5

97

59

1

6

169

270

1.59

GX45N

45

120

31

25.5

36.5

128

27.5

110

67

1

6

230

368

2.24

GX50N

50

130

33

30.5

42.5

139

30

120

70

1

6

262

420

3.14

GX60N

60

150

37

34

45

160

35

140

84

1

6

374

599

4.63

GX70N

70

160

42

36.5

50

176

35

153

94.5

1

3

451

722

5.37

GX80N

80

180

43.5

38

50

197

42.5

172

107.5

1

4

558

893

6.91

GX100N

100

210

51

46

59

222

45

198

127

1.1

4

717

1140

11

GX120N

120

230

53.5

50

64

250

52.5

220

145

1.1

3

839

1340

14