机械零部件
当前位置:福建龙溪轴承(集团)股份有限公司 - 一号娱乐产业 - 机械零部件 - 关节轴承 - 自润滑型向心关节轴承
GEFZ...T

产品编号:GEFZ...T 4.83~25.4

滑动磨擦副:钢/PTFE编织物

产品特点:外圈材料为碳钢,球面粘贴PTFE编织物,挤压成形,内圈材料为轴承钢,淬火,球面镀硬铬。

使用温度范围:-50℃­~+150℃

  

    
  

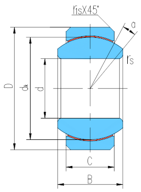
轴  承

型  号

Bearing number

外 形 尺 寸

Dimensions        mm/inch

额定载荷

Load ratings  kN

重 量

Weight

≈kg

d

D

B

C

dk

rs

min

r1s

min

α˚

动载荷

Dynamic

静载荷

Static

GEFZ4T

4.83

14.29

7.14

5.54

10.31

0.3

0.38

11

7.4

11

0.006

0.19

0.5625

0.281

0.218

0.406

0.012

0.015

GEFZ6T

6.35

16.67

8.71

6.35

12.70

0.3

0.56

13

10

15

0.010

0.25

0.6562

0.343

0.25

0.5

0.012

0.022

GEFZ7T

7.94

19.05

9.53

7.14

14.27

0.3

0.81

11

13

19

0.014

0.3125

0.75

0.375

0.281

0.562

0.012

0.032

GEFZ9T

9.53

20.64

10.31

7.92

16.66

0.3

0.81

9

17

25

0.018

0.375

0.8125

0.406

0.312

0.656

0.012

0.032

GEFZ11T

11.11

23.02

11.10

8.71

17.45

0.3

0.81

9

19

28

0.021

0.4375

0.9062

0.437

0.343

0.687

0.012

0.032

GEFZ12T

12.70

25.40

12.70

9.91

20.65

0.3

0.81

9

26

39

0.029

0.5

1

0.5

0.39

0.813

0.012

0.032

GEFZ14T

14.29

27.78

14.27

11.10

23.01

0.3

0.81

9

33

49

0.042

0.5625

1.0937

0.562

0.437

0.906

0.012

0.032

GEFZ15T

15.88

30.16

15.88

12.70

25.40

0.3

0.81

8

41

61

0.053

0.625

1.1875

0.625

0.5

1

0.012

0.032

GEFZ19T

19.05

36.51

19.05

15.06

30.15

0.3

1.12

9

59

88

0.094

0.75

1.4375

0.75

0.593

1.187

0.012

0.044

GEFZ22T

22.23

39.69

22.23

17.86

33.32

0.6

1.12

9

89

133

0.119

0.875

1.5625

0.875

0.703

1.312

0.024

0.044

GEFZ25T

25.40

44.45

25.40

20.24

38.10

0.6

1.12

9

115

172

0.173

1

1.75

1

0.797

1.5

0.024

0.044