GEK...XS-2GS
产品编号:GEK...XS-2GS 25~60
滑动磨擦副:钢/钢
产品特点:外圈沿轴向剖分成两半,用锁圈固定,内、外圈材料均为轴承钢,淬火,内圈球面镀硬铬,外圈两端带有密封圈。
使用温度范围:-25℃~+120℃
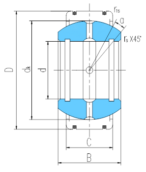
轴 承 型 号 Bearing number | 外 形 尺 寸 Dimensions mm | 额定载荷 Load ratings kN | 重 量 Weight ≈kg | ||||||||
d | D | B | C | dk | rs min | r1s min | α˚ ≈ | 动载荷 Dynamic | 静载荷 Static | ||
GEK25XS-2GS | 25 | 68 | 40 | 28 | 50 | 0.6 | 1 | 19 | 117 | 590 | 0.707 |
GEK30XS-2GS | 30 | 70 | 47 | 32 | 60 | 0.6 | 1 | 19 | 163 | 813 | 0.814 |
GEK35XS-2GS | 35 | 80 | 54 | 38 | 70 | 0.6 | 1 | 17 | 226 | 1130 | 1.23 |
GEK40XS-2GS | 40 | 90 | 64 | 44 | 80 | 0.6 | 1 | 19 | 298 | 1490 | 2 |
GEK45XS-2GS | 45 | 100 | 72 | 52 | 90 | 0.6 | 1 | 17 | 398 | 1990 | 2.84 |
GEK50XS-2GS | 50 | 110 | 80 | 58 | 100 | 1 | 1 | 17 | 493 | 2450 | 3.81 |
GEK55XS-2GS | 55 | 125 | 90 | 64 | 110 | 1 | 1 | 19 | 598 | 2990 | 5.49 |
GEK60XS-2GS | 60 | 135 | 98 | 72 | 120 | 1 | 1 | 17 | 732 | 3660 | 6.93 |
